Published:2009/7/24 2:04:00 Author:Jessie | From:SeekIC

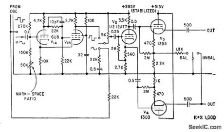
Used with incremental-tuning precision R-C oscillator for testing and aligning equipment having sharp resonances. oscillator signal is fed through phase splitter V2 to cathode followers V3 and V4 in push-pull, to provide symmetrical output when required. Will feed either 600-ohm unbalanced load or two 300-ohm outputs balanced with respect to ground, with 10 mw maximum output.-J. H. Reyner, Precision Oscillator with Incremental Tuning, Electronics, 33:16, p 76-78.
Reprinted Url Of This Article:
http://www.seekic.com/circuit_diagram/Signal_Processing/OSCILLATOR_OUTPUT_STAGE.html
Print this Page | Comments | Reading(3)
Code: