Published:2013/1/28 2:14:00 Author:Ecco | Keyword: Oblique wave generator | From:SeekIC

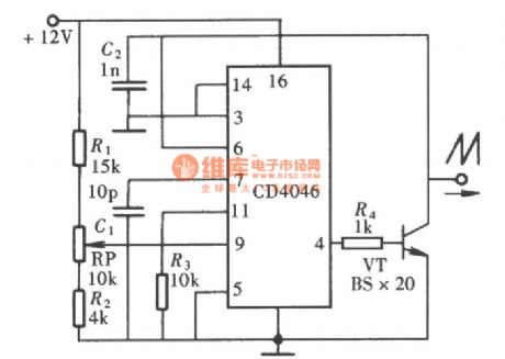
The external capacitor connected to CD4046's pin ⑥, ⑦ is divided into two parts, namely grounded. Because their charge and discharge time is different, the waveform generated by voltage-controlled oscillator can have a huge difference in the rising and falling edges.
Reprinted Url Of This Article:
http://www.seekic.com/circuit_diagram/Signal_Processing/Oblique_wave_generator_with_CD4046.html
Print this Page | Comments | Reading(3)
Code: