Published:2009/7/23 22:54:00 Author:Jessie | From:SeekIC


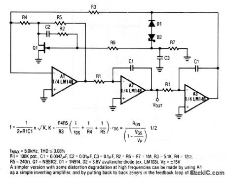
This circuit uses three sections of an LM148 op amp. The frequency of VOUT is set by R1, and is 5 kHz maximum with the values shown. Raytheon Linear Integrated Circuts, 1989, p. 4-263.
Reprinted Url Of This Article:
http://www.seekic.com/circuit_diagram/Signal_Processing/One_decade_low_distortion_sine_wave_generator_.html
Print this Page | Comments | Reading(3)
Code: