Published:2009/7/23 22:56:00 Author:Jessie | From:SeekIC


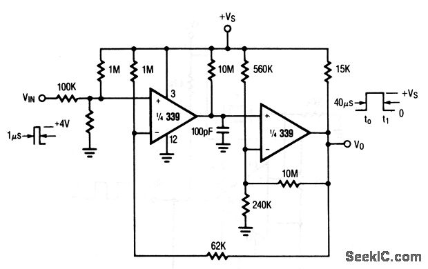
The input threshold of this comparator IC circuit is set by the resistance from the input to ground. This resistance combines with the series 100-kΩ resistor to form an input lockout. For example, if the input-to-ground resistance is also 100 kΩ, the multivibrator remains off until the input exceeds +8 V. Raytheon Linear Integrated Circuts, 1989, p. 5-30.
Reprinted Url Of This Article:
http://www.seekic.com/circuit_diagram/Signal_Processing/One_shot_multivibrator_with_input_lockout.html
Print this Page | Comments | Reading(3)
Code: