Published:2009/7/22 22:26:00 Author:Jessie | From:SeekIC

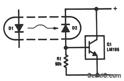
In this circuit, D1 and D2 can be part of almost any standard optocoupler or optoisolator. With no drive, R1 absorbs the base current of Q1, holding Q1 off. When power is applied to D1 (or to the LED of an optocoupler), D2 allows current to flow from the collector to base. Less than 20 μA is required from D2 to turn the LM1195 fully on。
Reprinted Url Of This Article:
http://www.seekic.com/circuit_diagram/Signal_Processing/Optically_isolated_power_transistor.html
Print this Page | Comments | Reading(3)
Code: