Published:2009/7/19 22:58:00 Author:Jessie | From:SeekIC

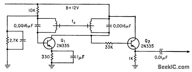
Oscillator Q1 can be adjusted to within 0.1 cps of desired frequency by adjusting length and center thickness of rod made from modified Elinvar constant-modulus material positioned between coils. Emitter-follower Q2 minimizes pulling by variable load. -T. A O. Gross, New Magnetic Rods Simplify Circuits, Electronics, 35:28, p 62-66.
Reprinted Url Of This Article:
http://www.seekic.com/circuit_diagram/Signal_Processing/Oscillator_Circuit/100_KC_MAGNETOSTRICTIVE_ROD_CONTROL_.html
Print this Page | Comments | Reading(3)
Code: