Published:2009/7/19 22:08:00 Author:Jessie | From:SeekIC

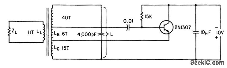
Simple class-C L-C arrangement has many advantages for power oscillators and for d-c to a-c converters. One side of tank can be grounded.-P. Laakmann, Designing Class. C Transistor L-C Oscillators, Electronics, 35:30, p 42-45.
Reprinted Url Of This Article:
http://www.seekic.com/circuit_diagram/Signal_Processing/Oscillator_Circuit/122_KC_GROUNDED_COLLECTOR_HARTLEY.html
Print this Page | Comments | Reading(3)
Code: