About SeekIC | Services | Payment | Advertisements service | Contact Us | Links
© 2008-2012 SeekIC.com Corp.All Rights Reserved.
Published:2011/3/21 0:57:00 Author:may | Keyword: oscillator, 1MHz | From:SeekIC

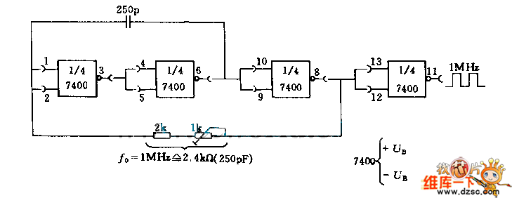
Use IC 7400 can make up a high frequency oscillator, its oscillator frequency depended on RC, the final 7400use for isolation level.
Reprinted Url Of This Article:
http://www.seekic.com/circuit_diagram/Signal_Processing/Oscillator_Circuit/1MHz_oscillator_circuit.html
Print this Page | Comments | Reading(3)
Response in 12 hours
© 2008-2012 SeekIC.com Corp.All Rights Reserved.
Code: