Published:2009/7/2 7:11:00 Author:May | From:SeekIC

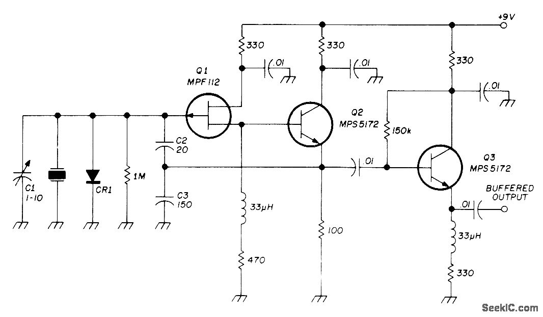
Modification of basic Colpitts crystal oscillator has excellent load capacitance correlationand temperature stability. Crystal will oscillate very close to its series resonant point. Component values are optimized for 10-20 MHz. Emitter-follower Q2 provides power gain for feedback energy and gives high crystal activity without changing phase angle of signal. Output buffer Q3 prevents loading of oscillator. Q1 is low-cost Motorola JFET, but practically any other JFET will work CR1 is 1N914 or 1N4148.-D. L. Stoner, High-Stability Crystal Oscillator, Ham Radio, Oct. 1974, p 36-39.
Reprinted Url Of This Article:
http://www.seekic.com/circuit_diagram/Signal_Processing/Oscillator_Circuit/1O_2O_MHz_CRYSTAL.html
Print this Page | Comments | Reading(3)
Code: