Published:2009/7/6 0:42:00 Author:May | From:SeekIC

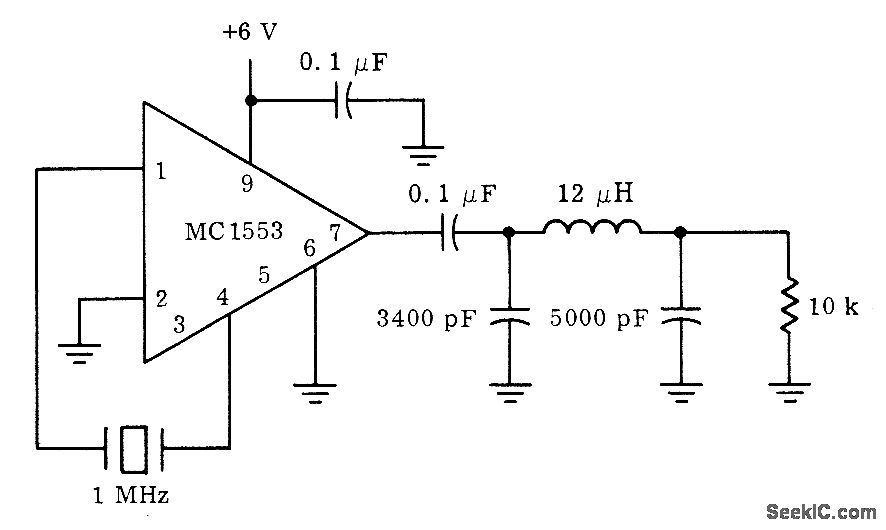
Motorola MC1553 video amplifier provides wide band-width and output swing capability needed for high-frequency master clock or local oscillator in many system designs. Positive feedback is injected through crystal to input pin 1. Output is taken from pin 7 which is buffered internally from oscillator by gain and emitter-follower stages. Brute-force pi filter at output extracts desired fundamental frequency.- A Wide Band Monolithic Video Amplifier, Motorola, Phoenix, AZ, 1973, AN-404 , p 9.
Reprinted Url Of This Article:
http://www.seekic.com/circuit_diagram/Signal_Processing/Oscillator_Circuit/1_MHz_SERIES_MODE_CRYSTAL.html
Print this Page | Comments | Reading(3)
Code: