Published:2009/7/14 4:56:00 Author:May | From:SeekIC

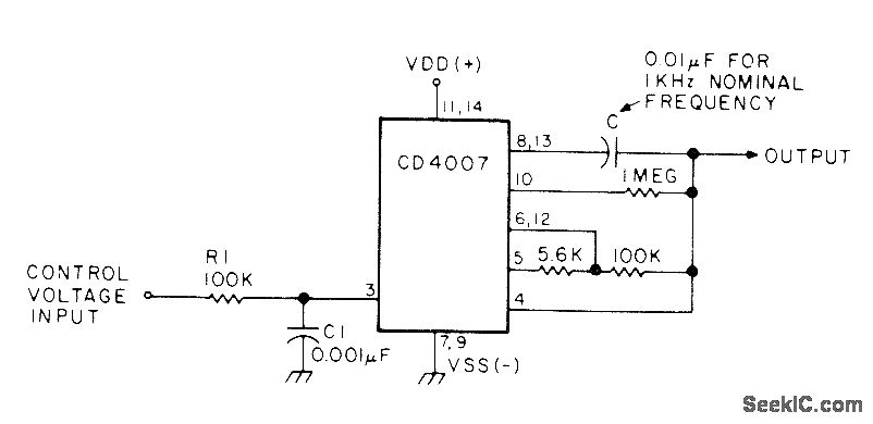
Changes in control voltage input are used to vary nominal 1-kHz output of CD4007 CMOS voltage-controlled oscillator proportionately. Values of R and C can be changed to obtain other nominal frequencies.-W. J. Prudhomme, CM0S Oscillators, 73 Magazine, July 1977, p 60-63.
Reprinted Url Of This Article:
http://www.seekic.com/circuit_diagram/Signal_Processing/Oscillator_Circuit/1_kHz_VCO.html
Print this Page | Comments | Reading(3)
Code: