Published:2009/7/20 23:15:00 Author:Jessie | From:SeekIC

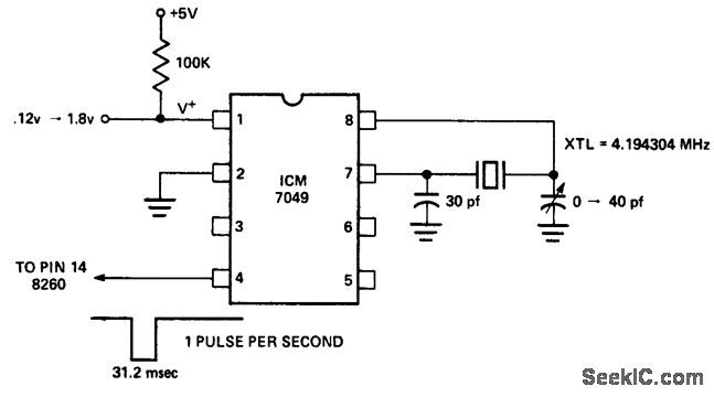
1-second reference oscillator. This circuit is ideal for clock circuits where no 60-hertz line is available (courtesy Intersil, Inc.).
Reprinted Url Of This Article:
http://www.seekic.com/circuit_diagram/Signal_Processing/Oscillator_Circuit/1_second_reference_oscillator.html
Print this Page | Comments | Reading(3)
Code: