Published:2009/7/10 2:42:00 Author:May | From:SeekIC

Notes:
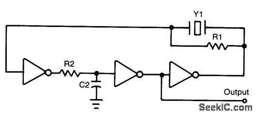
1 1 MΩ<R1<5 MΩ2 Select R2 and C2 to prevent spunous frequency.3 ICs are 74C04 or equiwlent
Reprinted Url Of This Article:
http://www.seekic.com/circuit_diagram/Signal_Processing/Oscillator_Circuit/1_to_4_MHz_CMOS_OSCILLATOR.html
Print this Page | Comments | Reading(3)
Code: