Published:2009/7/2 9:21:00 Author:May | From:SeekIC

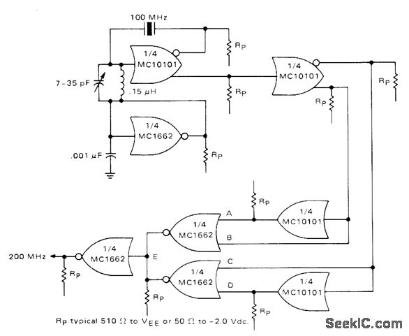
One section of Motorola MCI0101 is connected as 100-MHz crystal oscillator having crystal in series with feedback loop. LC tank circuit tunes 100-MHz harmonic of crystal and can be used to adjust circuit to exact frequency. Second section of IC serves as buffer and gives complementary 100-MHz signals for frequency doubler having two MC10101 gates as phase shifters and two MC1662 NOR gates. Outputs of MC1662s are wired-OR connected to give 200-MHz signal. One of remaining MC1662 gates is used as bias generator for oscillator.-B. Blood, IC Crystal Controlled Oscillators, Motorola, Phoenix, AZ, 1977, AN-417B, p 5.
Reprinted Url Of This Article:
http://www.seekic.com/circuit_diagram/Signal_Processing/Oscillator_Circuit/200_MHz_WITH_OSCI_LLATOR_DOUBLER.html
Print this Page | Comments | Reading(3)
Code: