Published:2009/7/19 23:20:00 Author:Jessie | From:SeekIC

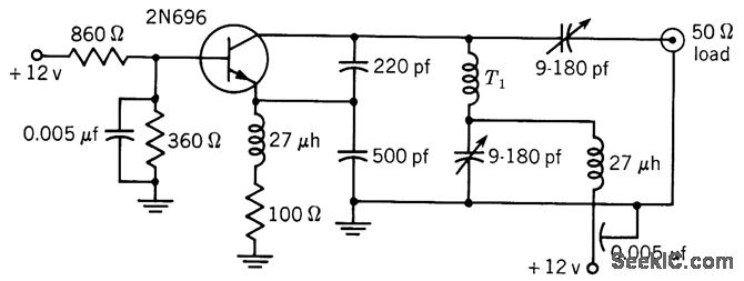
Delivers 300 mw into 50-ohm load. Typical collector efficiency is 35%. -Texas Instruments Inc., Solid-State Communications, McGraw-Hill, N.Y., 1966, p 239.
Reprinted Url Of This Article:
http://www.seekic.com/circuit_diagram/Signal_Processing/Oscillator_Circuit/24_MC_CLAPP_1.html
Print this Page | Comments | Reading(3)
Code: