Published:2009/7/2 1:05:00 Author:May | From:SeekIC

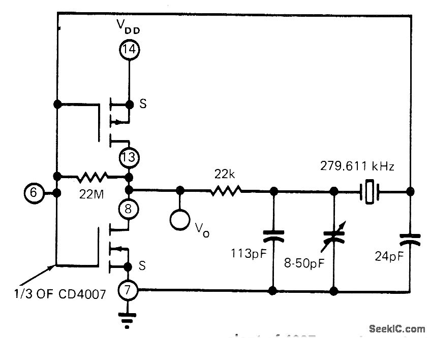
DT-cut quartz crystal operating in CMOS inverter pair circuit serves as efficienttiming circuit. Supply voltage can be from 5 to 15 V. With TA5987 Low-voltage equivalent of 4007, supply can be 2.5 to 5 V. Stability is 4.3 PPM, not including temperature variations.-B. Furlow, CMOS Gates in Linear Applications: The Results Are Surprisingly Good, EDN Magazine, March 5, 1973, p 42-48.
Reprinted Url Of This Article:
http://www.seekic.com/circuit_diagram/Signal_Processing/Oscillator_Circuit/279611_kHz_CRYSTAL.html
Print this Page | Comments | Reading(3)
Code: