Published:2009/7/13 21:37:00 Author:May | From:SeekIC

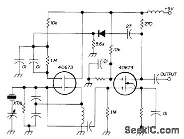
Two dualgate MOSFETs operate in untuned Colpitts crystal oscillator Used in SSB transceiver made by Sideband Associates for radiomarine communication in 2-23 MHz range Oscillator feeds isolating amplifier,Small capacitor can be used for netting individual crystal to precise assigned frequency.-E Noll, MOSFET Circuits, Ham Radio Feb 1975,p50-57.
Reprinted Url Of This Article:
http://www.seekic.com/circuit_diagram/Signal_Processing/Oscillator_Circuit/2_23_MHz_UNTUNED_OSCILLATOR.html
Print this Page | Comments | Reading(3)
Code: