Published:2009/6/30 23:13:00 Author:May | From:SeekIC

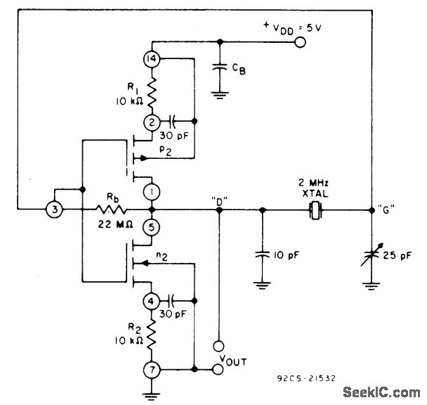
One CMOS transistor pair from CA3600E array is connected with feedback pinetwork to glve sta-ble oscilIator performance with 2-MHz crystal.Low power drain makes circuit ideal for use in digital clocks and watches.- Linear Integrated Circuits and MOS/FET's, RCA Solid State Divi-sion, Somerville, NJ, 1977, p 280.
Reprinted Url Of This Article:
http://www.seekic.com/circuit_diagram/Signal_Processing/Oscillator_Circuit/2_MHz_CRYSTAL_USING_CMOS_PAIR.html
Print this Page | Comments | Reading(3)
Code: