Published:2009/6/29 4:37:00 Author:May | From:SeekIC

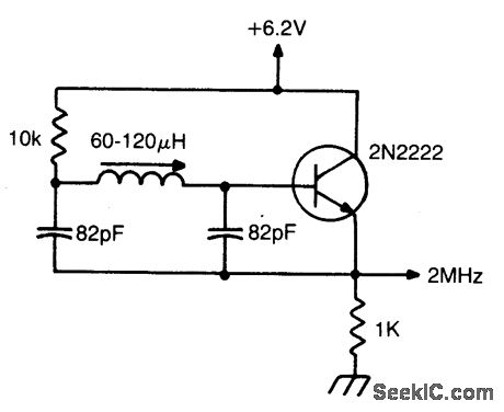
Miller 9055 miniature slugtuned coil;allresistors 1/4W 5%;all caps mln.25 V ceramic.
Reprinted Url Of This Article:
http://www.seekic.com/circuit_diagram/Signal_Processing/Oscillator_Circuit/2_MHz_OSCILLATOR_.html
Print this Page | Comments | Reading(3)
Code: