Published:2009/7/19 21:21:00 Author:Jessie | From:SeekIC

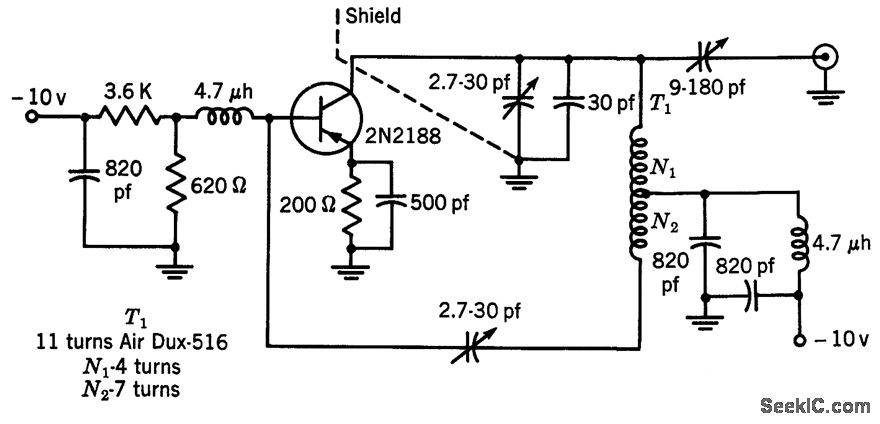
Delivers 23 mw over temperature range of -40 to +60℃. Typical collector efficiency is 30%.-Texas Instruments Inc., Transistor Circuit Design, McGrctw-Hill, N.Y., 1963, p 319.
Reprinted Url Of This Article:
http://www.seekic.com/circuit_diagram/Signal_Processing/Oscillator_Circuit/30_MC_2N2188.html
Print this Page | Comments | Reading(3)
Code: