Published:2009/7/19 21:57:00 Author:Jessie | From:SeekIC

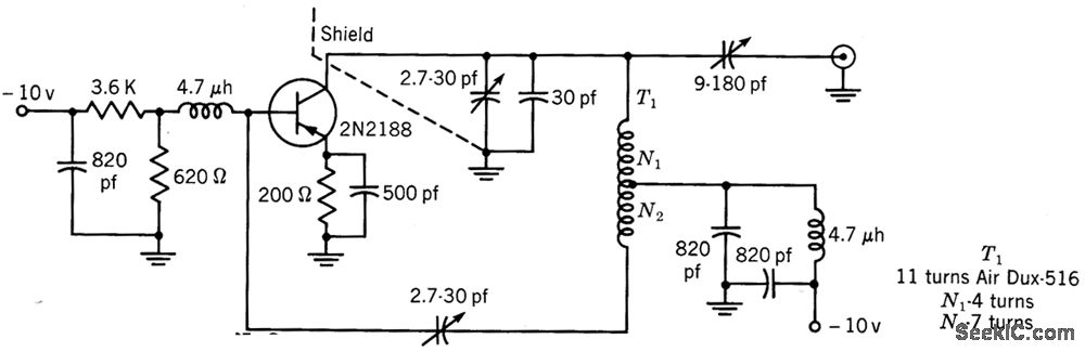
Operates over range of -40 to +60℃. Typical power output is 23 mw at lowest temperature and 20 mw at highest. Collector efficiency is 30%.-Texas Instruments Inc., Solid-State Communications, McGraw-Hill, N.Y., 1966, p 239.
Reprinted Url Of This Article:
http://www.seekic.com/circuit_diagram/Signal_Processing/Oscillator_Circuit/30_MC_WIDE_TEMPERATURE_RANGE.html
Print this Page | Comments | Reading(3)
Code: