Published:2009/7/7 7:57:00 Author:May | From:SeekIC

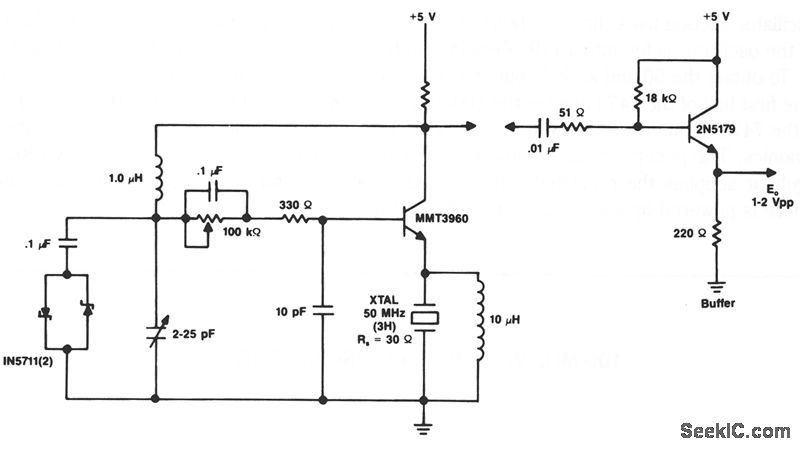
Figure 21-14 shows a 50-MHz oscillator operating on a third harmonic. The collector's load resistor R1 has been increased because the quartz crystal's internal series resistance RS increases with frequency in the VHF range. The crystal's internal series resistance RS is 3Ω , and the transistor's minimum current gain HFE is 100. Using the same technique as for the 20 MHz oscillator, the external series RLCL equivalent load seen by the 50 MHz crystal is 5.6Ω (RL) and 1000 pF (CL).
Reprinted Url Of This Article:
http://www.seekic.com/circuit_diagram/Signal_Processing/Oscillator_Circuit/50_MHZ_VHF_CRYSTAL_OSCILLATOR.html
Print this Page | Comments | Reading(3)
Code: