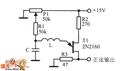
Published:2011/6/1 6:41:00 Author:Lucas | Keyword: 50kHz, Sine wave , oscillator | From:SeekIC

Reprinted Url Of This Article:
http://www.seekic.com/circuit_diagram/Signal_Processing/Oscillator_Circuit/50kHz_Sine_wave_oscillator_circuit_diagram.html
Print this Page | Comments | Reading(3)
Code: