Published:2009/7/19 22:03:00 Author:Jessie | From:SeekIC

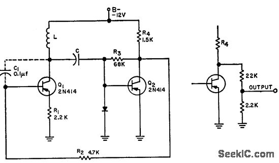
Overcomes low-frequency problems of wide-range oscillators by using tank both for controlling frequency and coupling signal to next stage. Frequency is stable over wide variations in d-c voltage and temperature, yet circuit is inexpensive. Alternative output coupling shown is useful for driving varying loads.-J. Freeman, Low-Frequency C-Coupled Oscillator, EEE, 11:7, p 27-28.
Reprinted Url Of This Article:
http://www.seekic.com/circuit_diagram/Signal_Processing/Oscillator_Circuit/5_CPS_TO_300_KC.html
Print this Page | Comments | Reading(3)
Code: