Published:2009/7/2 1:03:00 Author:May | From:SeekIC

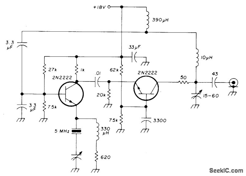
Extremely low-noise series-mode crystal oscillatoris designedfor use in high-quality communication receivers. Eitherfundamental or overtone crystals can be used.-U. L. Rohde, Effects of Noise in Receiving Systems, Ham Radio, Nov. 1977, p 34-41.
Reprinted Url Of This Article:
http://www.seekic.com/circuit_diagram/Signal_Processing/Oscillator_Circuit/5_MHz_LOW_NOISE_CRYSTAL.html
Print this Page | Comments | Reading(3)
Code: