Published:2011/4/20 5:43:00 Author:Ecco | Keyword: 800Hz , oscillator | From:SeekIC

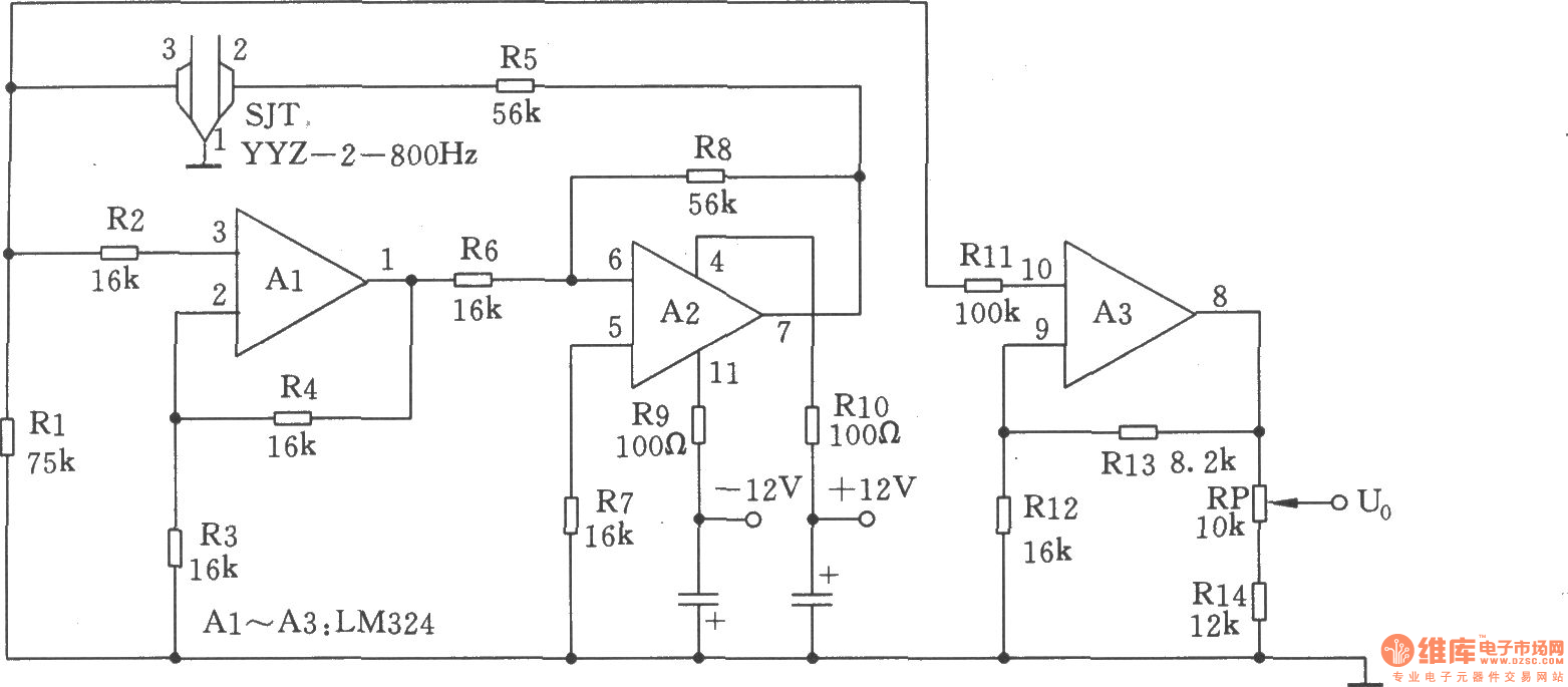
The circuit shown in the chart is 800Hz oscillator with the advantages of simple circuit, high accuracy of frequency and stable output level. It consists of four operational amplifiers Manifold Al ~ A3 (LM324) and the 800Hz oscillator composed of SJT (YYZ-2-800Hz) tuning fork. When 800Hz oscillation signal produced by SJ1 being added to two-stage operational amplifier formed by A1 and A2, it will be output by pin ⑦ and become positive feedback frequency signal through the resistor R5, SJT. Then the amplified 800Hz is amplified by A3 again. And it will be sent by pin ⑧ to the potentiometer RP, the adjustable arm can output (Uo) 800Hz sine wave signal. Among them, adjusting the potentiometer RP will meet the output level of 0dB/600Ω, adjustable range is ± 3db.
Reprinted Url Of This Article:
http://www.seekic.com/circuit_diagram/Signal_Processing/Oscillator_Circuit/800Hz_oscillator.html
Print this Page | Comments | Reading(3)
Code: