Published:2009/6/24 2:46:00 Author:Jessie | From:SeekIC

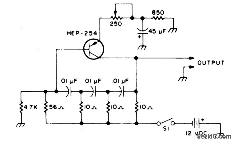
The following transistors may be used: HEP-254, O.C-2, SK-3004, AT30H. To increase the frequency, decrease the value of the capacitors in the ladder network.
Reprinted Url Of This Article:
http://www.seekic.com/circuit_diagram/Signal_Processing/Oscillator_Circuit/800_Hz_OSCILLATOR.html
Print this Page | Comments | Reading(3)
Code: