Published:2009/7/2 9:05:00 Author:May | From:SeekIC

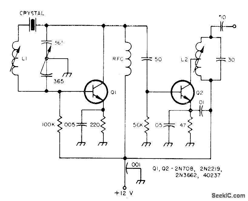
Tuning two-gang 365-pF variable capacitor through its range provides frequency change up to 5 kHz in output of 8-MHz crystal oscillator. L1 is 16-24 μH Miller 4507, and L2 is 40 turns No.36 tapped at 13 turns, on 1/4-inch slug-tuned form.-Circuits, 73 Magazine, Jan. 1974, p 128.
Reprinted Url Of This Article:
http://www.seekic.com/circuit_diagram/Signal_Processing/Oscillator_Circuit/8_MHz_±_5_kHz.html
Print this Page | Comments | Reading(3)
Code: