Published:2009/6/24 21:00:00 Author:Jessie | From:SeekIC


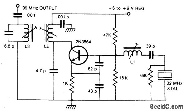
Circuit NotesBy usmg a crystal between 27.5 and 33 MHz,the 3rd harmonic will deliver between82.5 and 99 MHz.
Reprinted Url Of This Article:
http://www.seekic.com/circuit_diagram/Signal_Processing/Oscillator_Circuit/96_MHz_CRYSTAL_OSCILLATOR.html
Print this Page | Comments | Reading(3)
Code: