Published:2009/7/13 21:27:00 Author:May | From:SeekIC

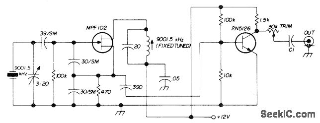
Used in transmitter section of 80-meter 10-W SSB transceiver. Value of C1 is 50-330 pF, chosen for desired output range. Carrier level can be adjusted with slug-tuned coil or with 30K trimpot.-D. Hembling, Solid State 80-Meter SSB Transceiver, Ham Radio, March 1973, p 6-17.
Reprinted Url Of This Article:
http://www.seekic.com/circuit_diagram/Signal_Processing/Oscillator_Circuit/9_MHz_CRYSTAL.html
Print this Page | Comments | Reading(3)
Code: