© 2008-2012 SeekIC.com Corp.All Rights Reserved.
Published:2009/7/14 7:59:00 Author:May | From:SeekIC

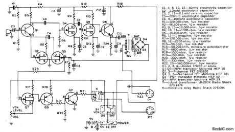
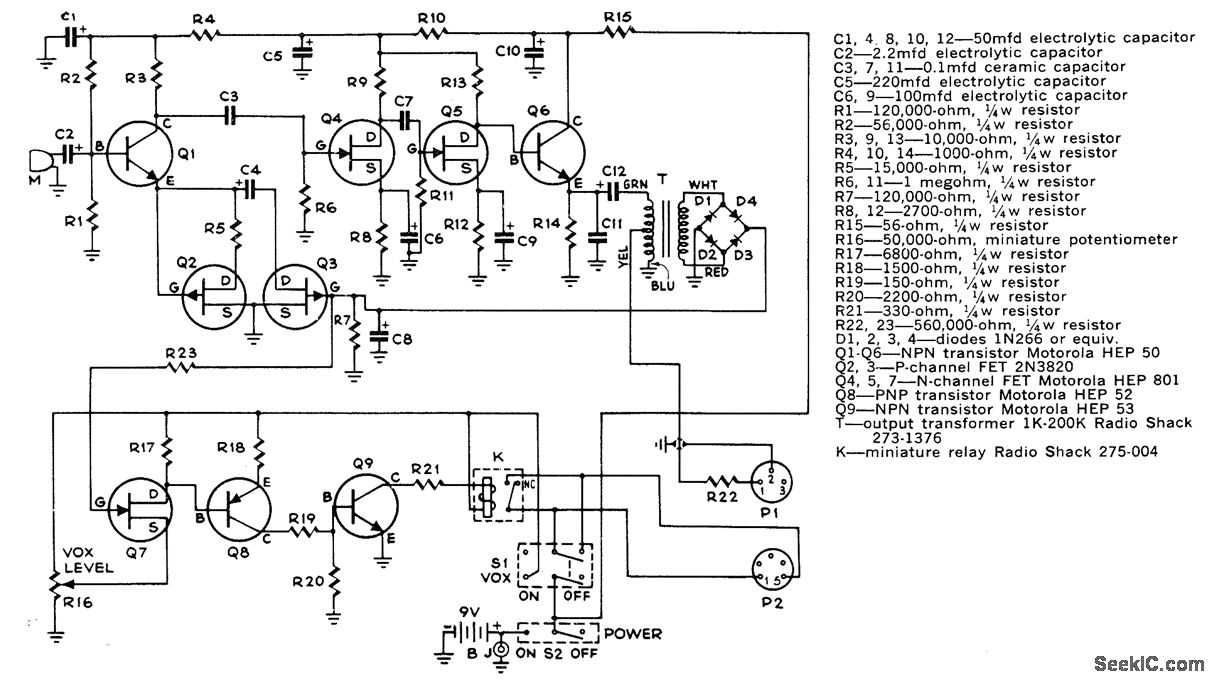
Voice-operated ON/OFF switch uses microphone to sense normal back-ground sound. Anything above background threshold preset by R16 energizes relay K for turning on recorder. Circuit provides about 2-s delay after subject stops talking, before releasing relay. Automatic volume control circuit keeps recorded signal essentially constant despite movements of loudspeaker toward or away from microphone.-G. Beard, Automatic Volume and VOX for Your Tape Recorder, Popular Science, Oct. 1973, p 134 and 136.
Reprinted Url Of This Article:
http://www.seekic.com/circuit_diagram/Signal_Processing/Oscillator_Circuit/AVC_AND_VOX.html
Print this Page | Comments | Reading(3)
Response in 12 hours
© 2008-2012 SeekIC.com Corp.All Rights Reserved.
Code: