Published:2009/7/19 23:37:00 Author:Jessie | From:SeekIC

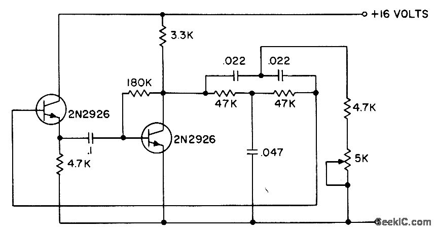
Emitter-follower eliminates loading variations, contributing to exceptional frequency stability (0.2%) over temperature range of -55 to 80℃.- Transistor Manual, Seventh Edition, General Electric Co., 1964, p 207.
Reprinted Url Of This Article:
http://www.seekic.com/circuit_diagram/Signal_Processing/Oscillator_Circuit/BRIDGED_T_R_C_PHASE_SHIFT_OSCILLATOR.html
Print this Page | Comments | Reading(3)
Code: