Published:2009/7/6 21:32:00 Author:May | From:SeekIC

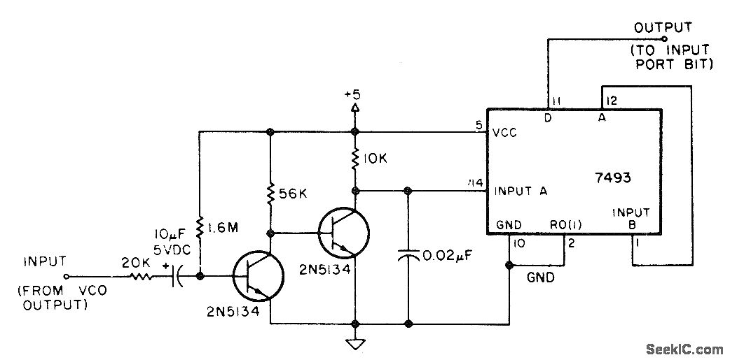
Simple buffer/counter provides accurate calibration of FSK circuit used in cassette interface of 8080 microprocessor to generate mark and space frequencies. Audio FSK waveform is squared and divided down in 7493 4-bit counter. Resulting pulses are fed to input port of microprocessor for software pulse counting. Software sets VCO frequency, waits until pulse starts, counts each pulse occurrence, and displays resultant count.Each 7493 count is 29 Hz or 14.5μs, so 371 counts correspond to 2975 Hz for space. Mark frequency of 2125 Hz gives pulses separated by 519 counts.-D. R. Bourdeau, Cassette Interface First Aid, Kilobaud, July 1977, p 49.
Reprinted Url Of This Article:
http://www.seekic.com/circuit_diagram/Signal_Processing/Oscillator_Circuit/CALIBRATING_MARK_SPACE_VCO.html
Print this Page | Comments | Reading(3)
Code: