Published:2009/6/25 2:14:00 Author:Jessie | From:SeekIC

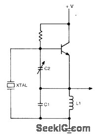
Circuit NotesThis circuit operates 30-200 ppm above series resonance. Physically simple, but analytically complex. It is inexpensive with fair frequency stability.
Reprinted Url Of This Article:
http://www.seekic.com/circuit_diagram/Signal_Processing/Oscillator_Circuit/COLPITTS_HARMONIC_OSCILLATOR(BASIC_CIRCUIT).html
Print this Page | Comments | Reading(3)
Code: