Published:2009/7/9 3:25:00 Author:May | From:SeekIC

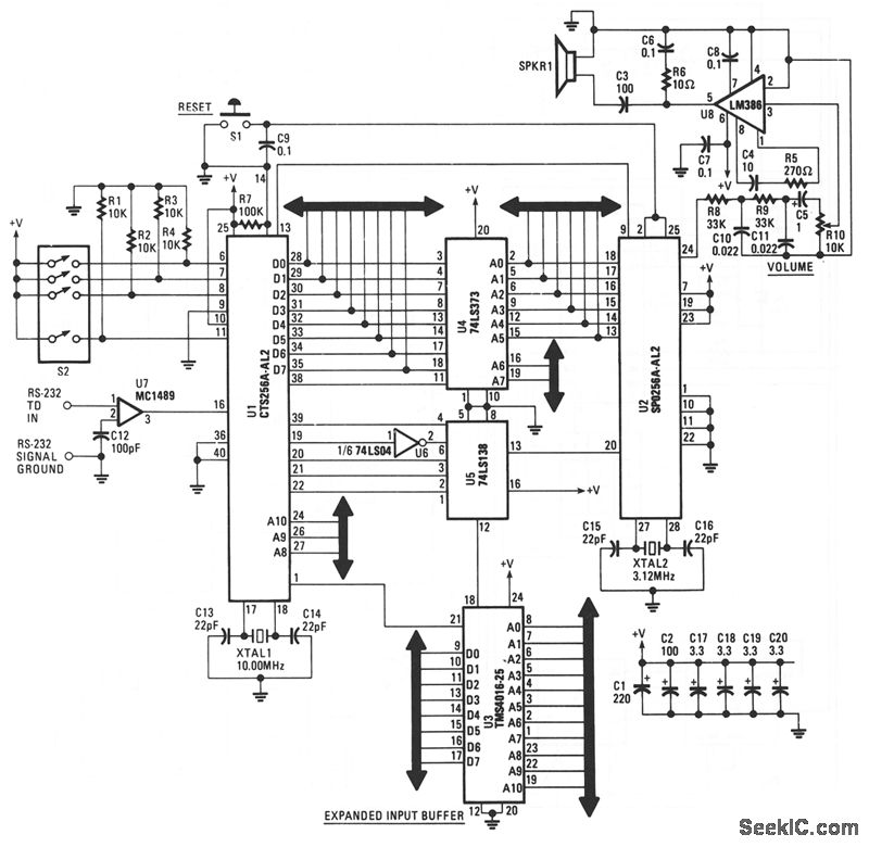
This text-to-speech converter is built around the SPO256-AL2 speech processor and the CT6256-AL2 text-to-speech converter chips-manufactured by General Instruments. The circuit is set up to receive standard ASCII code from virtually any microcomputer or dumb terminal that is equipped with an RS-232 port-such as a serial-printer or modem port. If a microcomputer is used, the synthesizer can be activated from a terminal-emulator of any communications proaram, or front any programming language such as BASIC.The serial input from the RS-232 port enters the circuit through U7, the MC1489 RS-232 receiver chip, and is converted from an RS-232 level to a TTL-level signal. The CTS256-AL2 chip, U1, then converts the ASCII characters into allophone codes and sends those codes to U3, the TMS4016 external-RAM chip. The codes are then transferred to the SPO256-AL2, U2, through the 74LS373 octal latch, U4. Finally, the SPO256-AL2 sends out an audio signal to the LM386 audio amplifier, U8, through some highpass filtering, and on to the speaker. The 74LS138d, US, and the 74LSO4, U6, provide control logic.
Reprinted Url Of This Article:
http://www.seekic.com/circuit_diagram/Signal_Processing/Oscillator_Circuit/COMPUTER_SPEECH_SYNTHESIZER.html
Print this Page | Comments | Reading(3)
Code: