About SeekIC | Services | Payment | Advertisements service | Contact Us | Links
© 2008-2012 SeekIC.com Corp.All Rights Reserved.
Published:2009/7/19 21:26:00 Author:Jessie | From:SeekIC

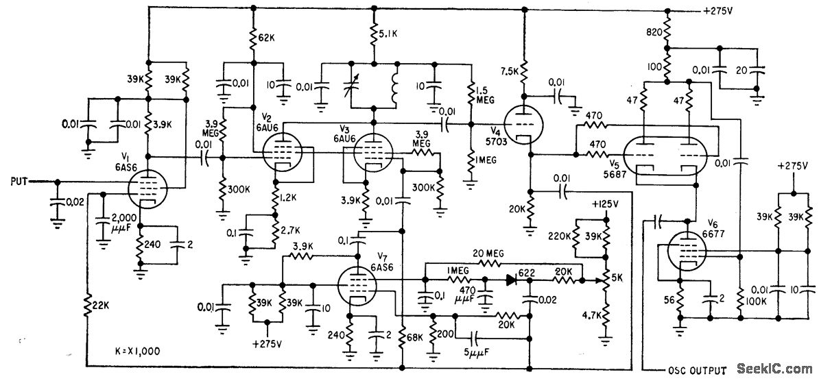
Used with automatic doppler cycle counter to determine position and velocity of missiles and satellites. Output signal amplitude is maintained constant over wide range of maintained constant over wide range of frequencies. –B. E. Keiser, Digital-Counter Techniques Increase Doppler Uses, Electronics, 32:21, p 46-50.
Reprinted Url Of This Article:
http://www.seekic.com/circuit_diagram/Signal_Processing/Oscillator_Circuit/CONSTANT_OUTPUT_OSCILLATOR.html
Print this Page | Comments | Reading(3)
Response in 12 hours
© 2008-2012 SeekIC.com Corp.All Rights Reserved.
Code: