Published:2009/7/19 22:19:00 Author:Jessie | From:SeekIC

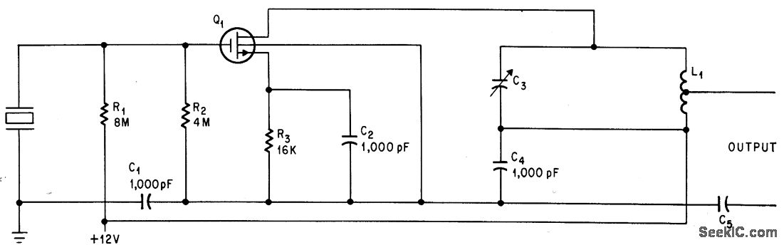
Oscillation is maintained even with 100-microvolt oscillator output signal when using mos fet.-G. G. Luettgenau and S. H. Barnes, Designing With Low-Noise MOS FETs: A Little Different But No Harder, Electronics, 37:31, p 53-58.
Reprinted Url Of This Article:
http://www.seekic.com/circuit_diagram/Signal_Processing/Oscillator_Circuit/CRYSTAL_MOS_FET.html
Print this Page | Comments | Reading(3)
Code: