Published:2009/6/24 23:30:00 Author:May | From:SeekIC


Circuit Notes
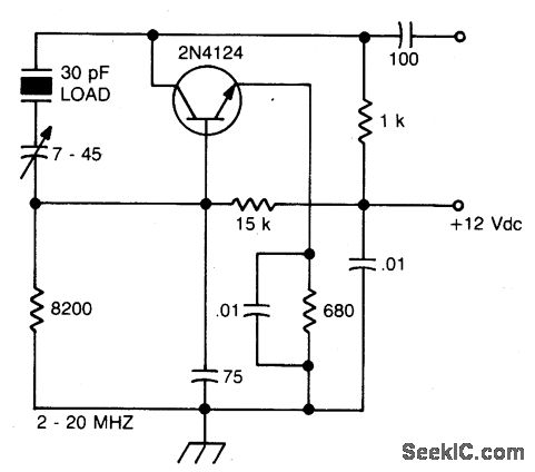
The crystal operates into a complex load at series resonance. L1, C1, and C2 balance the crystal at zero reactance. Capacitor C1 fine-tunes the center frequency. Tank circuit L2, C3 doubles the output frequency the circuit operates as an FM oscillator-doubler.
Reprinted Url Of This Article:
http://www.seekic.com/circuit_diagram/Signal_Processing/Oscillator_Circuit/CRYSTAL_OSCILLATOR_DOUBLER.html
Print this Page | Comments | Reading(3)
Code: