Published:2009/6/23 2:23:00 Author:Jessie | From:SeekIC

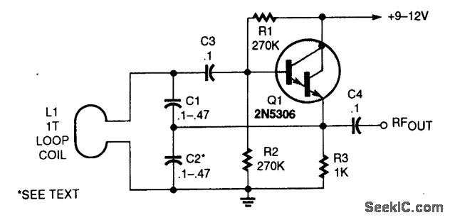
This oscillator uses a very large capacitance-to-inductance ratio. L1 is a one-tum coil consisting of a loop of #12 wire 12 in diameter. This circuit is useful for metal detectors, etc., where a loop antenna is used.
Reprinted Url Of This Article:
http://www.seekic.com/circuit_diagram/Signal_Processing/Oscillator_Circuit/DARLINGTON_TRANSISTOR_OSCILLATOR.html
Print this Page | Comments | Reading(3)
Code: