Published:2009/6/23 1:54:00 Author:May | From:SeekIC


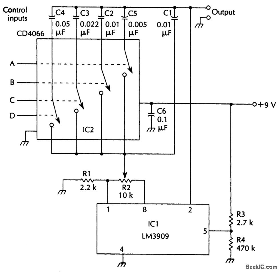
IC1 LM3909 LED flasher/oscillator IC2 CD4066 quad bilateral switch C1,C2 0.1-μF capacitorC3 0.033-μF capacitorC4 0.047-μF capacitor
C5,C6 0.1-μF capacitorR1 2.2-kΩ, 1/4-W 5% resistorR2 10-kΩ potentiometerR3 2.7-kΩ, 1/4-W 5% resistorR4 470-Ω, 1/4-W 5% resistor
Reprinted Url Of This Article:
http://www.seekic.com/circuit_diagram/Signal_Processing/Oscillator_Circuit/DIGITALLY_CONTROLLED_SQUARE_WAVE_OSCILLATOR.html
Print this Page | Comments | Reading(3)
Code: