Published:2009/7/6 0:46:00 Author:May | From:SeekIC

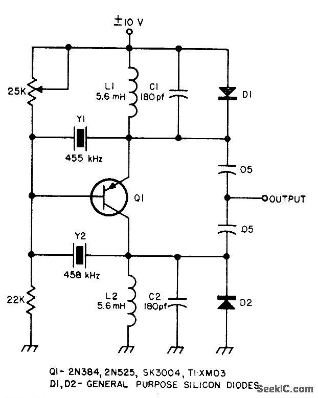
Uses two different crystals, with frequency being changed by reversing supply voltageļ¼Transistor then inverts itself and gain reduces to about 2, which is adequate for oscillator operation Provides two frequencies from single stage with minimum of switching.-Circuits, 73 Magazine, Feb. 1974, p 101.
Reprinted Url Of This Article:
http://www.seekic.com/circuit_diagram/Signal_Processing/Oscillator_Circuit/DUAL_FREOUENCY_CRYSTAL.html
Print this Page | Comments | Reading(3)
Code: