Published:2011/4/14 3:25:00 Author:Ecco | Keyword: Data-controlled, variable frequency , oscillator | From:SeekIC

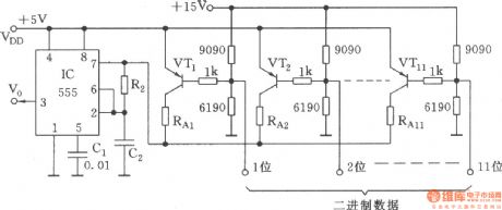
As shown, toaccess 11-bit binary data(highlevel is 1 , low level is 0 )on the base bias circuit of VT1~VT11, there are 2048 combinations. When one pointis in low level, the corresponding VT tube is conducted, the C2 charges through the RA + R2. RAis the equivalent resistance of the resistor connecting to each conducting tube.
Reprinted Url Of This Article:
http://www.seekic.com/circuit_diagram/Signal_Processing/Oscillator_Circuit/Data_controlled_variable_frequency_oscillator.html
Print this Page | Comments | Reading(3)
Code: