Published:2009/7/20 22:54:00 Author:Jessie | From:SeekIC

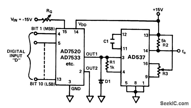
Digitally programmed oscillator. The circuit uses an AD537 monolithic V/F converter and an AD7520 multiplying D/A convener. It is a programmable square wave frequency source with excellent linearity in the range of0 to 100 kHz (courtesy Analog Devices, Inc.).
Reprinted Url Of This Article:
http://www.seekic.com/circuit_diagram/Signal_Processing/Oscillator_Circuit/Digitally_programmed_oscillator.html
Print this Page | Comments | Reading(3)
Code: