Published:2009/7/19 22:18:00 Author:Jessie | From:SeekIC

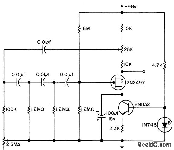
Frequency of four-mesh phase-shift oscillator can be varied several cycles around 10 cps, using 2.5-meg pot. Attenuation of four-mesh feedback network is 18.36.-L. J. Sevin, Jr., Field-Effect Transistors, McGraw-Hill, N.Y., 1965, p 111.
Reprinted Url Of This Article:
http://www.seekic.com/circuit_diagram/Signal_Processing/Oscillator_Circuit/FET_PHASE_SHIFT_OSCILLATOR.html
Print this Page | Comments | Reading(3)
Code: