Published:2009/7/5 22:57:00 Author:May | From:SeekIC


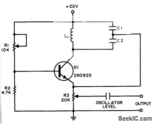
The Colpitts sinusoidal oscillator provides stable output amplitude and frequency from 0°F to +150°F. In addition, output amplitude is large and harmonic distortion is low. Oscillation is sustained by feedback from the collector tank circuit to the emitter. The oscillator's frequency is determined by:
Potentiometer R3 is an output level control.
Control R1 may be used to adjust base bias for maximum-amplitude output. The circuit was operated at 50 kHz with L1 = 10mH, C1 = 3500 pF, and C2 1500 pF.
Reprinted Url Of This Article:
http://www.seekic.com/circuit_diagram/Signal_Processing/Oscillator_Circuit/INEXPENSIVE_OSCILLATOR_IS_TEMPERATURE_STABLE.html
Print this Page | Comments | Reading(3)
Code: