Published:2009/6/25 2:04:00 Author:May | From:SeekIC

Circuit Notes
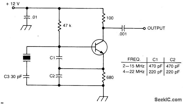
International Crystal OF-1 LO oscillator circuit for fundamental-mode crystals.
Reprinted Url Of This Article:
http://www.seekic.com/circuit_diagram/Signal_Processing/Oscillator_Circuit/INTERNATIONAL_CRYSTAL_OF_1_LO_OSCILLATOR.html
Print this Page | Comments | Reading(3)
Code: