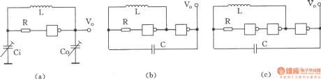
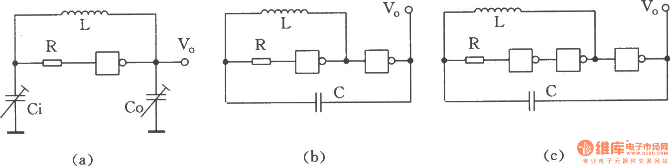
Published:2011/4/7 3:32:00 Author:Ecco | Keyword: LC oscillator , NAND gate | From:SeekIC

Reprinted Url Of This Article:
http://www.seekic.com/circuit_diagram/Signal_Processing/Oscillator_Circuit/LC_oscillator_composed_of_NAND_gate.html
Print this Page | Comments | Reading(3)
Code: