Published:2013/3/15 3:06:00 Author:Ecco | Keyword: LED , on -off time, controlled oscillator | From:SeekIC

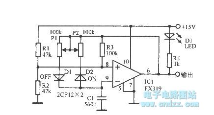
LED on -off time controlled oscillator is shown as figure.
Reprinted Url Of This Article:
http://www.seekic.com/circuit_diagram/Signal_Processing/Oscillator_Circuit/LED_on__off_time_controlled_oscillator.html
Print this Page | Comments | Reading(3)
Code: