Published:2009/7/14 4:44:00 Author:May | From:SeekIC

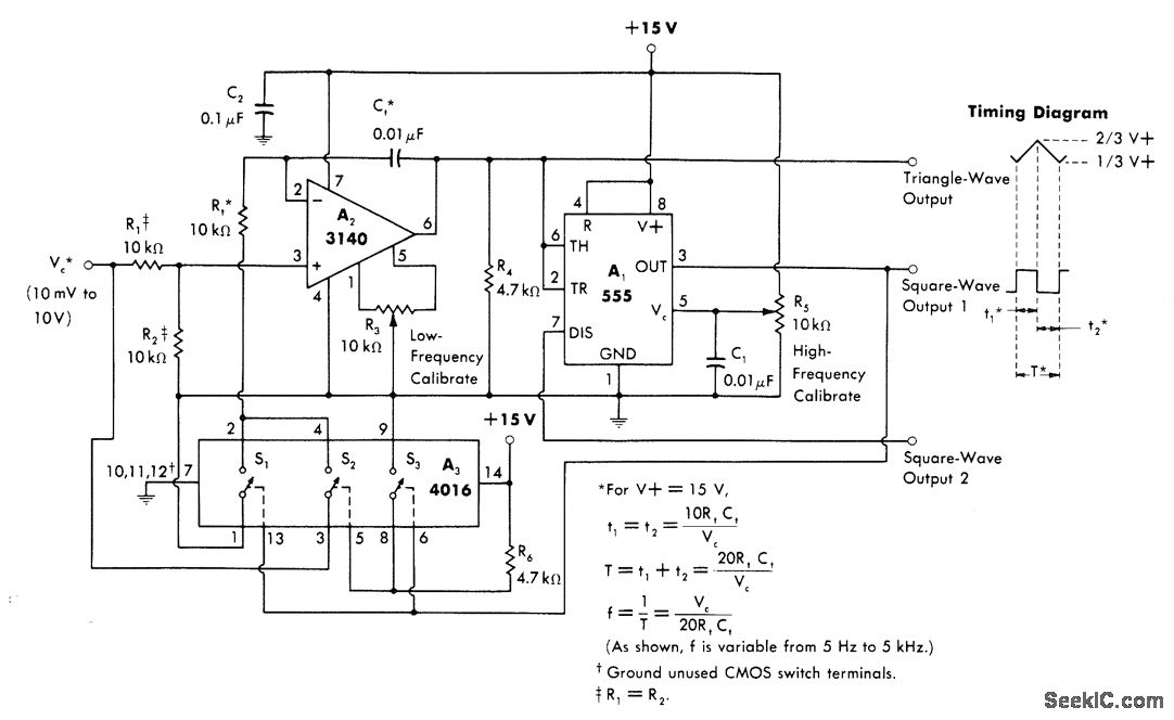
Operates over control-voltage range of +10 mV to +10 V to provide either square or triangle outputs from 5 Hz to 5 kHz, Can be used for instrumentation or electronic music applications.- W. G. Jung, IC Timer Cookbook, Howard W. Sams, Indianapolis, IN, 1977, p 174-179.
Reprinted Url Of This Article:
http://www.seekic.com/circuit_diagram/Signal_Processing/Oscillator_Circuit/LINEAR_VCO_1.html
Print this Page | Comments | Reading(3)
Code: