Published:2009/6/17 2:47:00 Author:May | From:SeekIC

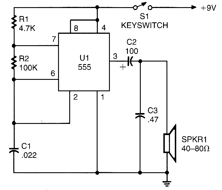
A 555 timer configured as an astable multivibrator is used in this circuit to generate an audio note. C1 can be changed to vary the audio note as desired.
Reprinted Url Of This Article:
http://www.seekic.com/circuit_diagram/Signal_Processing/Oscillator_Circuit/MORSE_PRACTICE_OSCILLATOR.html
Print this Page | Comments | Reading(3)
Code: